Будьте завжди в курсі!
Дізнавайтесь про новітні розробки першими
Новини
Всі новини
Sensit серія контактних датчиків температури TG 85, під прямим кутом, нержавіюча сталь, Pt, Ni, TC, PTC, KTY, -50 до +350 °C, 1м
Контактний сенсор температури під прямим кутом Сенсіт TG 85, Pt, Ni, TC, PTC, KTY, від -50 до 350 °C
Детальніше
Під замовлення
Термін постачання: 3-5 тижнів (виробництво)
-
+
- Опис
- Задати питання
-
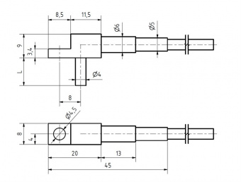
Контактний, датчик температури під прямим кутом від -50 °C до 350 °C, діаметр вимірювальної частини 4 мм, з нержавіючої сталі, Sensit TG 85Right-angle temperature sensor
Ці прямокутні датчики температурного опору призначені для вимірювання температури твердих речовин безпосередньо під поверхнею.
Структура датчика забезпечує швидку реакцію на зміну температури та високу точність контактного вимірювання порівняно зі стандартно використовуваними контактними датчиками температури, які просто кріпляться до вимірюваної поверхні. Розташування чутливого елемента в наконечник вимірювальної частини корпусу, який вставляється на вимірювану поверхню, забезпечує зменшення похибки вимірювання. Датчик кріпиться одним гвинтом. Стандартна довжина стрижня - 12 мм. Максимальний діапазон температур використання прямокутного датчика температури становить від -50 до 350 °C (400 °C на короткий період). Діапазон для кожного варіанту конструкції зменшується за допомогою типу датчика температури та кабелю живлення. Датчики температури під прямим кутом відповідають класу захисту від проникнення від IP 50 до IP 67 відповідно до стандарту EN 60529 зі змінами, залежно від варіанту введення кабелю.
Прямокутні датчики температури призначені для роботи в хімічно неагресивному середовищі.
Датчик конфігурується по типу чутливого елемента Pt 100, Pt 1000, Ni 1000, Ni 10000, Ni 2226=T1, TC, PTC, KTY (характеристики сенсорів докладніше тут), довжині та ізоляційній оболонки кабелю.
Модифікації:
- З двома чутливими елементими;
- Можливість комплектування нестандартними датчиками температури (DALLAS, TSic, KTY, SMT тощо);
- Клас точності A (за винятком датчиків Ni 10000/5000, Ni 10000/6180, T1 = Ni 2226, термістор NTC 20 кОм);
Характеристики
Вимірювання Температура Тип чутливого елемента Pt 100, Pt 1000, Ni 1000, Ni 10000, Ni 2226, NTC, PTC, KTY Виконання / Тип Контактний, Під прямим кутом Діапазон вимірювання температури -50 до +350 °C Клас захисту IP50 та IP67, в залежності від типу ізоляції кабелю Клас захисту IP67, IP50 Матеріал корпусу нержавіюча сталь DIN 1.4301 Діаметр вимірювальної частини 4 мм Довжина вимірювальної частини від 10 до 20 мм Опір ізоляції >200 MΩ при 500 VDC, 25° ± 3 °C Робоча температура кабеля відповідно технічному опису Стандартна довжина кабеля 1 метр Розміри відповідно до креслень -
Ви можете поставити будь-яке питання по товару або роботі компанії.
Наші кваліфіковані фахівці обов'язково вам допоможуть.





















































