Будьте завжди в курсі!
Дізнавайтесь про новітні розробки першими
Новини
Всі новини
Sensit SD182 датчик температури, -50 до +150 °C, RS 485 / MODBUS, IP 65
Під замовлення
Термін постачання: 3-4 тижні
-
+
Технічний довідник
- Опис
- Задати питання
-
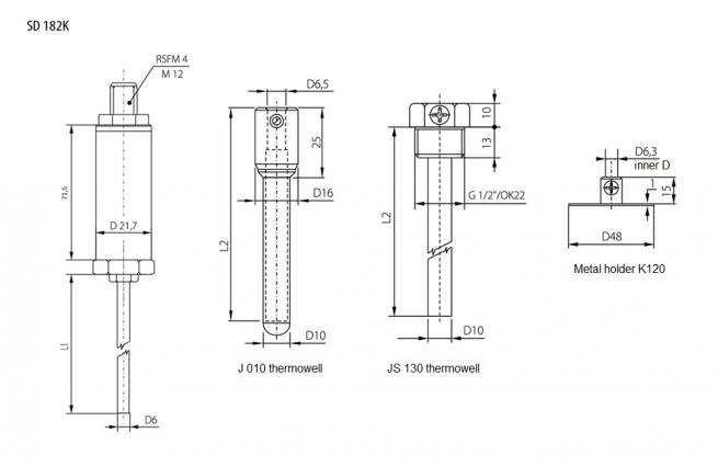
Датчик температури з виходом RS 485 / MODBUS Sensit SD182
Temperature sensor with RS 485 / MODBUS output
Датчик температури SD 182 з головкою підключення з нержавіючої сталі та цифровим виходом RS 485 / MODBUS, призначений для контактного вимірювання температури рідких і газоподібних речовин, може використовуватись для вимірювання температури в вентиляційних каналах і трубопроводах. Може використовуватись в харчовій промисловості. Діапазон вимірювання від -50 до 150°C. Ступінь захисту IP65.
Характеристики
Тип пристрою Датчики RS485/232 Вимірювання Температура Тип чутливого елемента Pt 1000 Інтерфейс RS485 Діапазон вимірювання температури -50 до +150 °C Точність вимірювання температури ± 0.2 °C Протокол ModBus RTU Джерело живлення 15-30 В пост. струму Клас захисту IP65 Матеріал стержня з чутливим елементом нержавіюча сталь DIN 1.4301 Діаметр стержня з чутливим елементом 6 ± 0,1 мм Опір ізоляції > 200 MΩ при 500 V/DC, 25°C ± 3 °C; вологість < 85 % Матеріал головки підключення нержавіюча сталь DIN 1.4301 Роз'єм RSFM4 - M12- Lumberg Час відгуку τ0.5 < 9 с Робоча температура -30 до 70 ° C Робоча вологість макс. 100% Робочий атмосферний тиск 70 до 107 кПа Вага прибл. 200 г -
Ви можете поставити будь-яке питання по товару або роботі компанії.
Наші кваліфіковані фахівці обов'язково вам допоможуть.














































