Будьте завжди в курсі!
Дізнавайтесь про новітні розробки першими
Новини
Всі новини
Датчик температури з виходом 4-20 мА Sensit TR 521V з роз'ємом DIN 4365 –50 to +150 °C
Новинка
Датчик температури з виходом 4-20 мА Sensit TR 521V з роз'ємом DIN 4365 –50 to +150 °C
Детальніше
Під замовлення
Термін постачання: 3-4 тижні
-
+
- Опис
- Задати питання
-
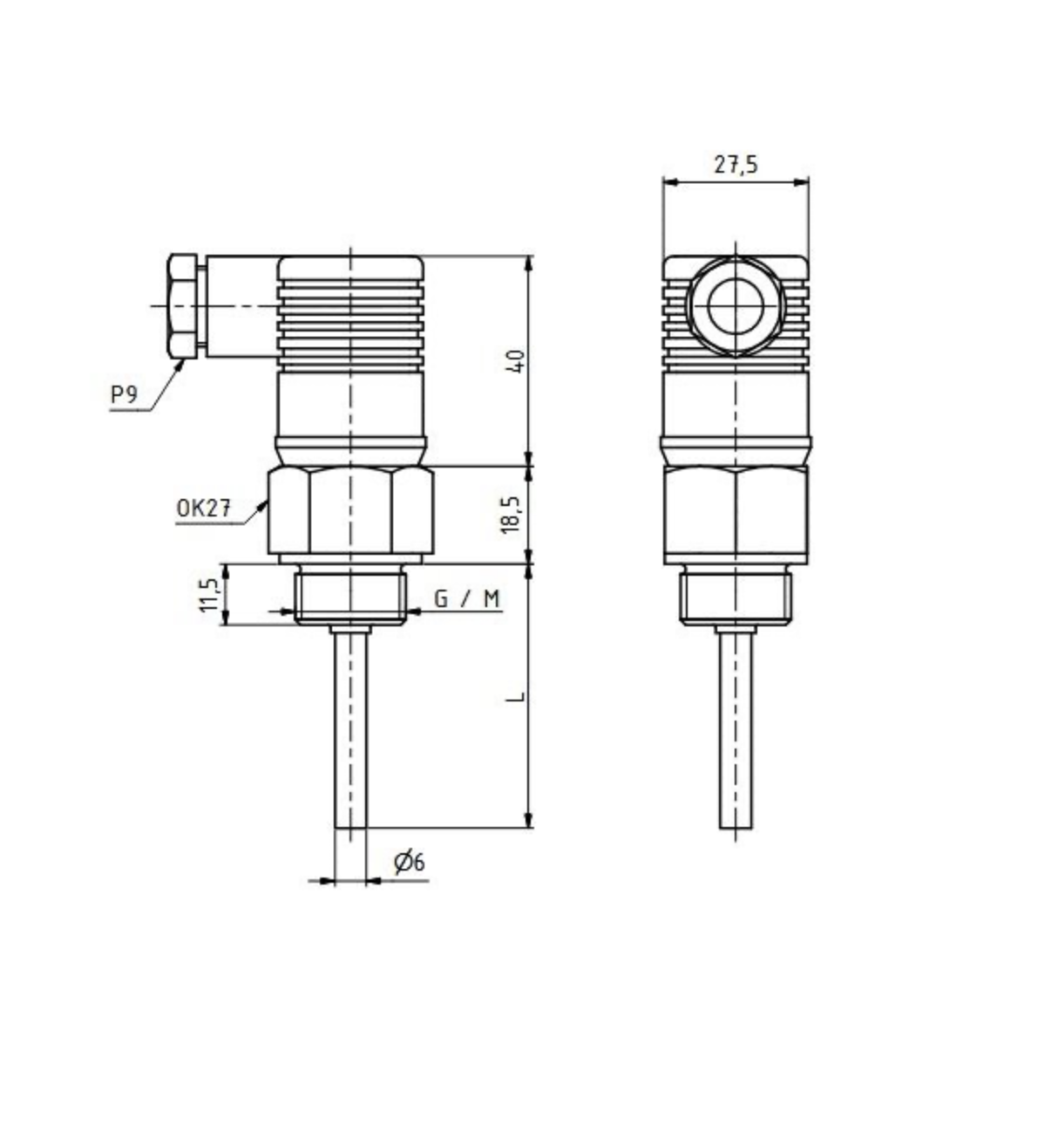
Датчик температури з виходом 4-20 мА Sensit TR 521V з роз'ємом DIN 4365
Temperature sensors for outdoor use with a plastic connection head
TR 521V diameter 6 mm, 4 to 20 mA
Датчики температури TR 521V з роз'ємом DIN 43650 призначені для вимірювання температури газоподібних або рідких середовищ. Діапазон робочих температур датчика становить від –50 до +150 °C.
Датчики температури складаються з металевого корпусу, що містить чутливий елемент, і з'єднувального роз'єму DIN 43650, який є невід'ємною частиною корпусу.
Датчики відповідають класу захисту IP67 відповідно до EN 60529 з поправками і призначені для вимірювання температури в трубопроводах. Їх конструкція дозволяє швидше реагувати на зміни температури в порівнянні з датчиками із захисним термокабелем.
Датчики призначені для експлуатації в хімічно неагресивних середовищах. Спосіб використання повинен бути обраний з урахуванням температури і хімічної стійкості корпусу і з'єднувального роз'єму.
Стандартний діапазон вимірювання:
Від -50 до 50 °C
Від -30 до 60 °C
Від 0 до 35 °C
Від 0 до 100 °C
Від 0 до 150 °C
Або налаштовується індивідуально.
Максимальний діапазон температур, що можна налаштувати: від –200 до +650 °C
Передбачена можливість індивідуальної конфігурації стрижня: довжина L, матеріал і діаметр можуть бути змінені.
Тип різьби також може відрізнятися від стандартних варіантів.
Характеристики
Тип пристрою Датчики 4-20 мА Вимірювання Температура Тип чутливого елемента Pt 1000/3850 Виконання / Тип з комутаційною головкою, Канального монтажу, Поверхового монтажу, Вуличного монтажу Вхід 4-20 мА Діапазон вимірювання температури –50 to +150 ° Точність вимірювання температури 0,8% від діапазону Клас точності клас B Діаметр стержня з чутливим елементом 6 мм Довжина стержня з чутливим елементом від 20 до 500 mm Напруга живлення 8 до 35 VDC (ном 24 VDC) Робоча температура –50 to +150 °C -
Ви можете поставити будь-яке питання по товару або роботі компанії.
Наші кваліфіковані фахівці обов'язково вам допоможуть.














































