Будьте завжди в курсі!
Дізнавайтесь про новітні розробки першими
Новини
Всі новини
Apem KG472A2XXA клавішний перемикач, DPDT, MOM-OFF-MOM, 10 A 12 VDC/8 A 24 VDC, IP65
609.92 грн. З ПДВ
Під замовлення
-
+
- Опис
- Задати питання
-
Клавішний перемикач Apem KG472A2XXA
Rocker Switch
KG Series – SPDT та DPDT промислові клавішні перемикачі з захистом до IP65, затверджено VDE, струм до 15 А. Доступні клавіші з маркуванням. Підняті краї рамки запобігають ненавмисному спрацюванню перемикача.Виконання:
Особливості:
- З підсвіткою і без підсвітки
- Захищена клавіша від випадкового спрацювання
- Захист до IP65
- VDE (EN 61058-1) затверджено
- Механічний термін експлуатації:
- 2 позиційні моделі: 100 000 циклів мін.
- 3 позиційні моделі: 30 000 циклів мін.
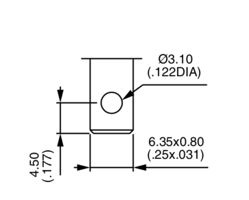
- Виріз в панелі: 36,80 x 21,08 мм (1,149 x .830)
- Товщина панелі: 0,8 мм до 4,6 мм
- Рекомендована товщина: від 2 мм до 3,5 мм
- Ступінь захисту: IP65 згідно IEC 60529
- Ударостійкість: 100 г згідно IEC 512-4, тест 6c
- Вібростійкість: 10-500 Гц - 10 г згідно IEC 512-4, тест 6d
- Стійкість до сольового туману: 96 годин згідно IEC 512-6, тест 11f
- Робоча температура :
- 2 позиційні моделі: від -40 ° C до + 85 ° C (-40 ° F до +185 ° F)
- 3 позиційні моделі: від -10 ° C до + 65 ° C (від -14 ° F до +149 ° F)
- Струм / напруга:
- - функції 1 (ON-OFF) та 6 (ON-ON): 15 A 12 VDC, 10 A 24 VDC макс.,
- 10 мА 14 VDC мін.
- - функції 4 (ON ON ON) та 4-1R (ON ON MOM):
- 8 А 12 VDC, 5 А 24 VDC макс.
- - інші функції: 10 А 12 VDC, 8 А 24 VDC макс.
- Початковий контактний опір: макс. 10 мОм. при 1 А 2 В постійного струму
- Опір ізоляції: 1000 МОм мін. при 500 В постійного струму
- Діелектрична міцність: 2000 Vrms 50 Гц мін. між клемами
- Термін служби (електрика): 10000 циклів мін.
- Корпус: термопластик UL94-V0
- Клеми: латунь вкрито сріблом
- Контакти: срібло
Характеристики
Серія KG Series Макс. струм 10 А Тип контактів під пайку, клеми швидкого підключення Клас захисту IP65 Конф. контактів DPDT Кількість полюсів 2 Тип перемикання MOM-OFF-MOM Ном. напруга 12 В пост. струму Ном. струм 10 А Форма рамки квадратна Колір рамки чорний Матеріал корпусу термопластик UL94-V0 Матеріал контактів срібло Робоча температура від -40 °C до +85 °C -
Ви можете поставити будь-яке питання по товару або роботі компанії.
Наші кваліфіковані фахівці обов'язково вам допоможуть.













































